Selecteer je land van levering om de prijzen en artikelen voor jouw locatie te zien.
Selectie van belastinggebied / land van levering
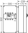
Behuizing voor de bouw van energieschakelcombinaties tot 630 A of als afzonderlijke behuizingen. Gemaakt van hoogwaardig polycarbonaat met beschermende isolatie. Paneeldoorvoeren met grote openingen voor de elektrische verbinding van de kasten onderling. Kabelinvoer op alle wanden van de kast via metrische knock-outs of montageflenzen. Behuizingen voor wandmontage ook via externe nokken of met montagerails. Behuizing met lastscheider 250 A, 4-polig, volgens IEC 60947-3. Met PE-klem voor koperen geleiders. Hendel van lastscheider afsluitbaar. Deksel vergrendelt voor bediening van gereedschap.
Er zijn geen beoordelingen.