Wähle dein Lieferland, um Preise und Artikel für deinen Standort zu sehen.
Auswahl Steuerzone / Lieferland
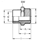
• Ein System für Abwasserneutralisation, Trinkwasser, Apparate- und Anlagenbau, Autowaschanlagen, Chemische Industrie, Galvanotechnik, Gewächshäuser, Schwimmbadbau, Kläranlagen, Wasseraufbereitung • Fittingkörper aus Polyvinylchlorid (PVC-U) • Max. Druck 16 bar bei 20°C (Richtwert für Übergangs- Gewindefittings und Verschraubungen) • Das Material entspricht der KTW-Empfehlung des Bundesgesundheitsamtes (BGA)• Mit Klebmuffe bzw. Stutzen • Kegeliges Außengewinde DN 10 (3/8") - DN 50 (2") • Zylindrisches Außengewinde DN 65 (2 1/2") - DN 100 (4") • Anschluss für Kunststoffgewinde • 621.91.17
Es gibt noch keine Bewertungen.