Wähle dein Lieferland, um Preise und Artikel für deinen Standort zu sehen.
Auswahl Steuerzone / Lieferland
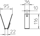
Trapezbefestigung für die abgehängte Montage von Kabeltragsystemen an Standardtrapezdecken. Bei Nutzung der vorgesehenen Löcher kann die Trapezbefestigung an eine Trapezprofilbreite bis zu ca. 80 mm montiert werden. Die Befestigung erfolgt mit dem Riegel Typ TPB R oder einer Sechskantschraube Typ SKS 10x110. Wichtig: Die Statik der Trapezblechdecke ist zu beachten!
Es gibt noch keine Bewertungen.