Wähle dein Lieferland, um Preise und Artikel für deinen Standort zu sehen.
Auswahl Steuerzone / Lieferland
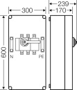
Gehäuse für den Bau von Energie-Schaltgerätekombinationen bis 630 A oder als Einzelgehäuse. Aus hochwertigem Polycarbonat schutzisoliert. Wanddurchführungen mit großen Öffnungen für die elektrische Verbindung der Gehäuse untereinander. Kabeleinführung an allen Gehäusewänden über metrische Vorprägungen oder Anbauflansche. Gehäuse zur Wandbefestigung auch über Außenlaschen oder mit Montageschienen. Gehäuse mit Lasttrennschalter 250 A, 3-polig, nach IEC 60947-3. Mit PE- und N-Klemmen für Kupferleiter. Griff des Lasttrennschalters abschließbar. Deckelverschlüsse für Werkzeugbetätigung.
Es gibt noch keine Bewertungen.