Wähle dein Lieferland, um Preise und Artikel für deinen Standort zu sehen.
Auswahl Steuerzone / Lieferland
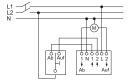
Geeignet für Rollladen-, Jalousie- und Markisenantriebe mit mechanischer oder elektronischer Endlagenabschaltung. Mit zwei 230 V-Nebenstelleneingängen (Auf/Ab) für Gruppensteuerung. Anschlussmöglichkeit von Helligkeitssensor 6414-101 und Glasbruchmelder 6413. Mit Betriebsartenschalter für Betriebsarten: Normal, Lamelle, Zentrale, Position, Markise. Mit Party-Funktion (Deaktivierung der Vorort-Bedienstelle) in Kombination mit Busch-Jalousiecontrol® II Bedienelement 6430-xx-xxx, 6066-xx-xxx. Windalarm-, Putz-Funktion über Nebenstelleneingang realisierbar. Für Bedienelement 6430-xx-xxx. Für IR-Bedienelement 6066-xx-xxx. Für Komfort-Timer-Bedienelement 6455-101. Laufzeit: 3 min Kompatibel zu den Typen 6411 U.
Es gibt noch keine Bewertungen.