Seleccione su país de entrega para ver los precios y artículos correspondientes a su ubicación.
Selección de zona fiscal / país de entrega
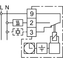
- Temperatura diurna y nocturna de libre elección - Funciona con pilas - Tapa abatible - Color de la carcasa blanco puro similar a RAL 9010 - Se puede montar en el marco adaptador ARA easy (no incluido) Datos técnicos: - Rango de ajuste de la temperatura:-Temperatura ambiente 5 ... 30°C - Temperatura de retardo 5 ... 30°C - Protección contra heladas ~ 5°C (fija) - Contacto (relé): 1 contacto inversor, libre de potencial - Tensión de servicio: pila de 1,5 V (vida útil ~ 2 años) - Corriente/tensión de conmutación: 10 mA...10 A cosPHI = 1máx. 4 A cosPHI = 0,6; 250 V CA; máx.10 actuadores térmicos - Interruptor giratorio: día/automático/noche/protección contra heladas/apagado (apagado = en espera) - Comportamiento de control: 2 puntos ON/OFF - Histéresis: ~ 0,5 K - Clase de protección: IP 30/protección aislada - Sensor de temperatura: NTC interno - Dimensiones (L x A x P): 160 x 80 x 36 mm - Ajuste del tiempo de conmutación cada 15 min
Todavía no hay opiniones.